信息公开
安全评价机构信息公开
发布时间:2025-12-01

单位基本情况介绍
广西化工研究院有限公司(以下简称“化工院”)前身是1934年成立的广西化学试验所,1958年正式挂牌成立广西化工研究所,1993年更名为“广西壮族自治区化工研究院”。2004年由事业编制单位转制为全民所有制企业,2006年划归广西国资委管理,2016年11月9日成建制划转广西宏桂资本运营集团有限公司管理,2018年11月改制为国有全资有限责任公司,更名为“广西化工研究院有限公司”。2021年12月按照自治区党委、政府统一部署,优化整合并入广西农垦集团有限责任公司。2025年,随着广西农垦集团与广西宏桂集团、广西国宏集团重组更名为“广西国控资本运营集团有限责任公司”,化工院成为广西国控集团的二级全资子公司。
化工院是集产、学、研、用于一体的省级综合性化工科研单位,国有高科技企业。主要从事环保型农药、功能性肥料、精细化工、兽药和饲料添加剂等领域的科研开发、生产经营及技术服务。企业注册资金1.5亿元、资产总额超4.6亿元,现有从业人员432人,下辖2个分公司、3个全资子公司和1个控股子公司和1个参股子公司,拥有占地201亩的扶绥产业化基地、18亩明阳兽药生产基地、51亩兴东科技园和10亩化纤所玉洞中试基地,年科技产业规模超5亿元。
化工院着力创新发展,重视企业内部管理和品牌建设,先后通过ISO9001国际质量管理体系认证、农业农村部兽药GMP验收、安全生产标准化和自治区实验室计量认证,是国家定点的博士后科研工作站、广西首批“院士工作站”、自治区及南宁市人才小高地、广西国际科技合作基地及自治区主席院士依托单位。化工院拥有自治区级技术创新中心、企业技术中心、千亿元产业研发中心等16个省级创新平台和6个技术服务平台,具有安全评价机构资质、化工工程设计乙级资质、化工医药工程咨询乙级资质及职业卫生技术服务机构资质,可为广西区内外相关企业、政府部门开展安全评价、化工设计、职业卫生评价及检测、技术开发、安全标准化、编制可行性研究报告、安全生产技术咨询等技术服务。

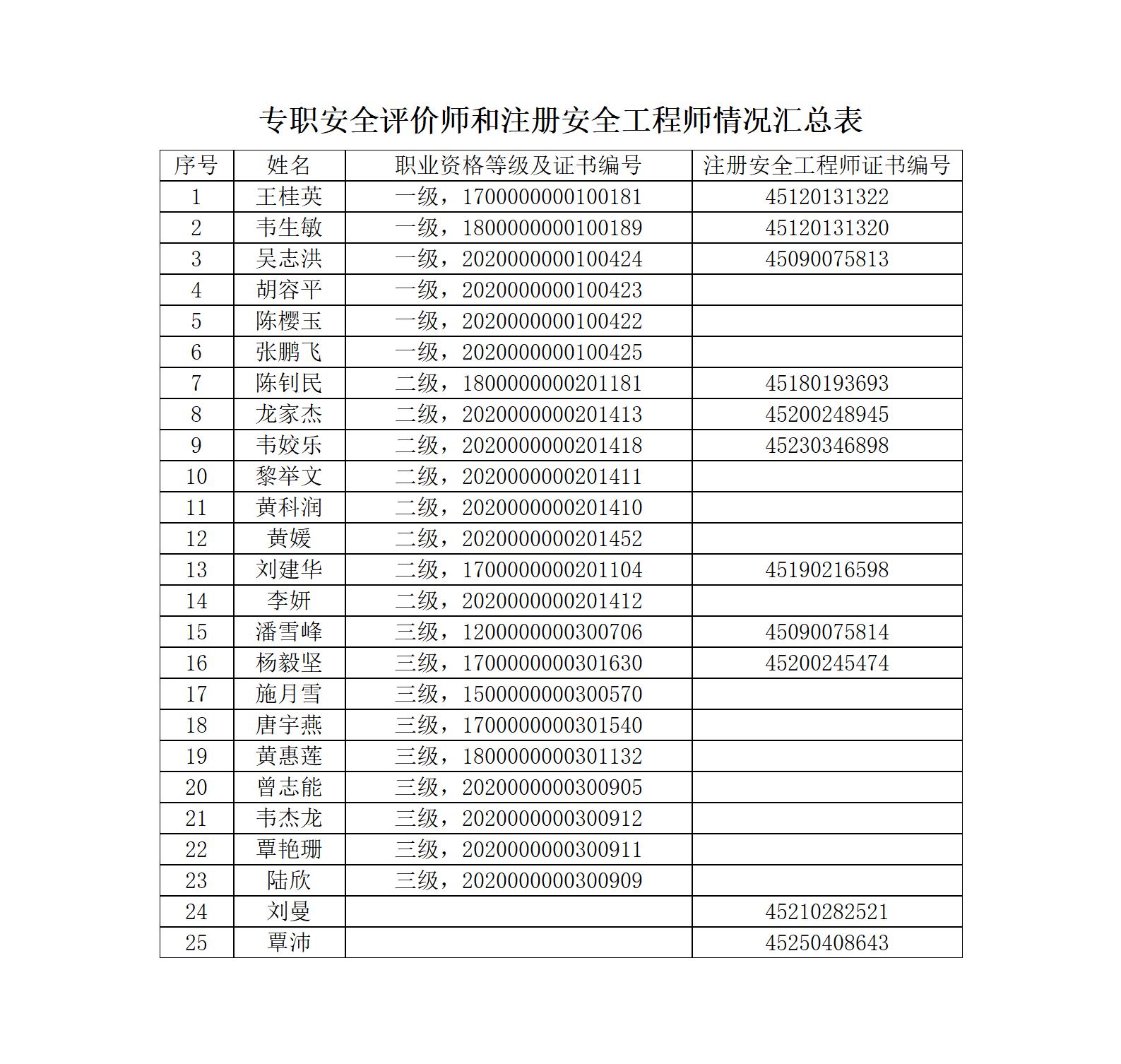
安全评价机构资质证书


